WM06Z120-02500-02920-AS0000-14

WM06Z120-02500-02920-AS0000-14
WM06Z120-02500-02920-AS0000-14

直線運動單元, WM60Z, 皮帶 Drive, 滾珠 Guide, 0.05 毫米 Repeatability, 2500 毫米 Stroke, 2920 毫米 Overall Length, 單短滑塊, 120 毫米 Travel Per Shaft Rev, Shaft On Left Side Without Keyway, 2500 Maximum Linear Speed


  • 取代
  • 中央潤滑所有需潤滑零件

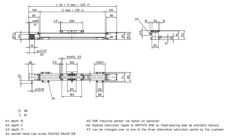
Dimensions

dimensions
尺寸價值
Ltot2920 毫米
Smax(行程)2500 毫米
Travel Per Shaft Rev120 毫米

Specifications

Specifications價值
Belt Type20 ATL 5 
Carriage Type單短滑塊 
Drive皮帶 
Guide滾珠 
Profile size (width × height)60 x 60 mm 
Shaft ConfigurationShaft On Left Side Without Keyway 
Shaft OrientationRight Angle 
Shaft QuantitySingle Shaft 
Weight16.8 kg
保護選項Standard Protection 

Performance

Performance價值
Input speed, maximum1250 轉每分
Maximum Acceleration20 m/s²
Maximum Linear Speed2500 
Repeatability0.05 毫米

Get Quote

*Please fill out the information below so we can best assist you: